Vaya al Contenido
DIAGRAMAS - SOPORTE TECNICO PR
Saltar menú
×
PORTADA
VIDEO PORTERO GENE 3
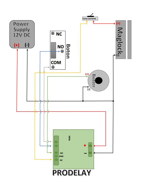
DIAGRAMAS
VIDEOS
About
Why StartUpME
News
Contact
Title
Saltar menú
×
PORTADA
VIDEO PORTERO GENE 3
DIAGRAMAS
VIDEOS
About
Why StartUpME
News
Contact
Saltar menú
×
PORTADA
VIDEO PORTERO GENE 3
DIAGRAMAS
VIDEOS
About
Why StartUpME
News
Contact
Fb
Yt
X
LLAMADA POR
TELEFONO
Created with SOPORTE REMOTO PR
Regreso al contenido
SOPORTE TECNICO PR
Instale esta aplicación en su pantalla de inicio para una mejor experiencia
Instalar
Toque
Botón de instalación en iOS
y luego "Agregar a su pantalla"
X
Para utilizar este sitio tienes que habilitar JavaScript.